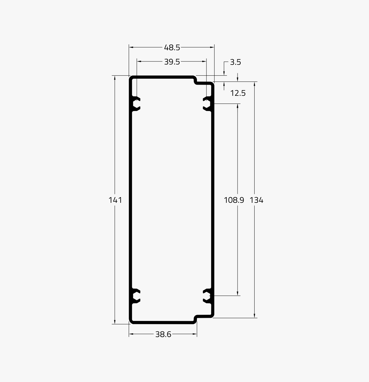
PS-353